
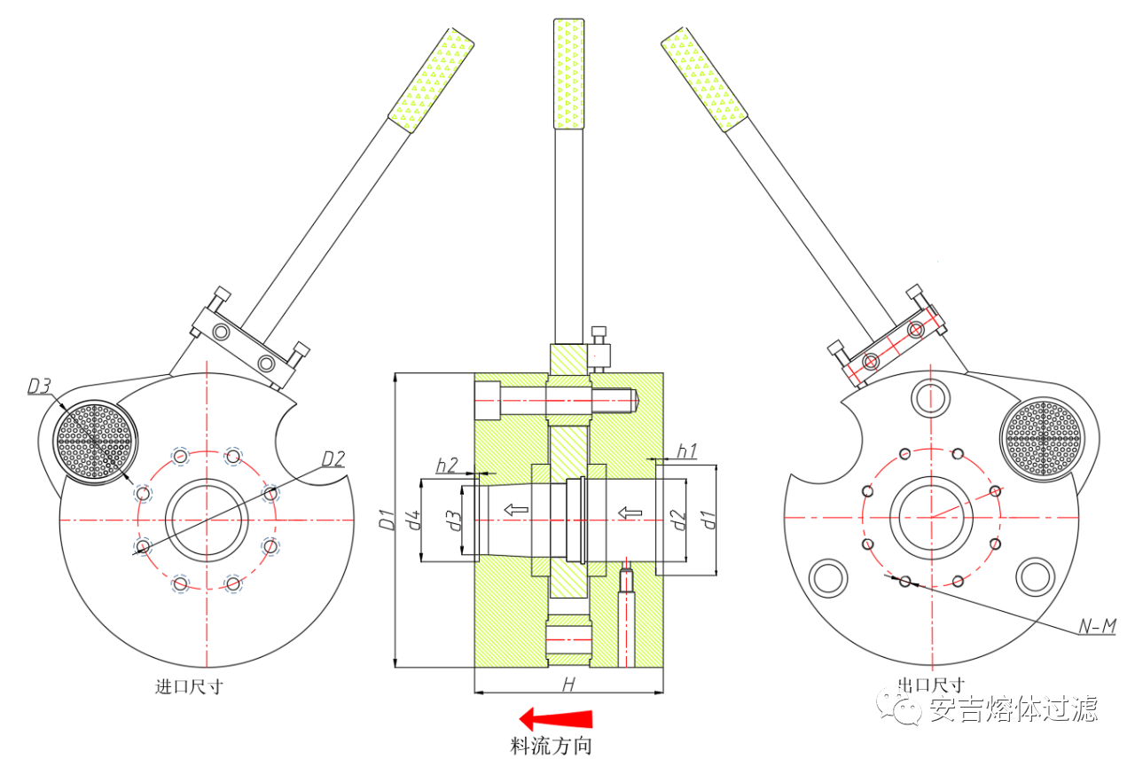
手动换网器由进口板、出口板、滑板、多孔板、定位轴、板杆等基本部件组成。在滑板上开有2个过滤通道,内镶装过滤多孔板(过滤网板),2个多孔板在板杆的作用下,可交替进入工作位及换网位。
手动式换网器在移动滑板上开有两个供聚合物介质流动的通道,通过手动切换装置(板杆)两个工作位交替进入工作状态,通过滤网对聚合物介质进行过滤,依次清洁介质,生产高质量的制品。换网器安装于挤出机和模具之间。
技术参数:
所有参数为工艺设定的最大值,在某些生产条件下不适合使用。具体的限制条件当以产品购销合同中的说明或以技术图纸为依据,实际产品和本文数据可能有所不同,以实际产品为准。


Copyright 2002-2026 郑州市安吉化工塑料机械厂 豫ICP备12023586号-1 ALL Rights Reserved.
地址:郑州市北环田园路北段
豫公网安备41010502002960